


T-Slot Bolts
Designed to suit T-shaped slots, bolts for T-Slot are specialist fasteners with a flat head and threaded shaft for strong fastening.
Product Technical Parameters
| ●Material: Carbon Steel and Stainless Steel |
| ●Surface Treatment: Galvanized, Nickel Plated, Black Oxide, Hot Dip Galvanizing, Dacromet |
| ●Metric Strength Grades: 4.8, 8.8 |
| ●Metric Thread Diameter: M6-M36 |
| ●Metric Thread length: 16-700mm
|
Products Categories
Get A Free Quote
Product Description of Bolts for T-Slot
- Function and Usage: These bolts are made to firmly fasten parts inside T-slot grooves so that they may be moved along the slot for exact alignment.
- Application Field: Machining centers and modular assembly lines are two examples of T-slot system-using equipment; jig and fixture setups also make great use of them.
- Needs Solved: T-Slot bolts solve the demand for efficiency and flexibility in industrial assembly and machinery configurations by offering a safe and changeable fastening mechanism.
To suit a broad spectrum of industrial uses, WanHong Fastener provides premium T-slot bolts in many diameters and materials.
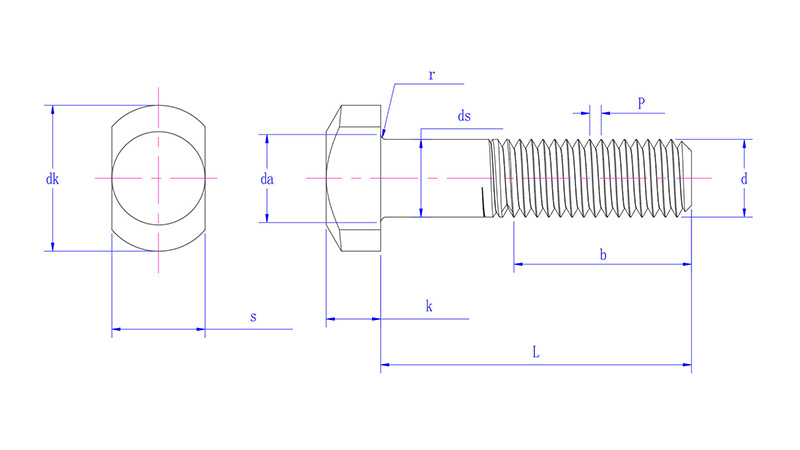
Bolts for T-Slot Dimensions Chart: Based on GB/T 37

| (mm) | M5 | M6 | M8 | M10 | M12 | M16 | M20 | M24 | M30 | M36 |
| P | 0.8 | 1 | 1.25 | 1.5 | 1.75 | 2 | 2.5 | 3 | 3.5 | 4 |
| da max | 5.7 | 6.8 | 9.2 | 11.2 | 13.7 | 17.7 | 22.4 | 26.4 | 33.4 | 39.4 |
| ds max | 5 | 6 | 8 | 10 | 12 | 16 | 20 | 24 | 30 | 36 |
| ds min | 4.70 | 5.70 | 7.64 | 9.64 | 11.57 | 15.57 | 19.48 | 23.48 | 29.48 | 35.38 |
| dk | 12 | 16 | 20 | 25 | 30 | 38 | 46 | 58 | 75 | 85 |
| k max | 4.24 | 5.24 | 6.24 | 7.29 | 8.89 | 11.95 | 14.35 | 16.35 | 20.42 | 24.42 |
| k min | 3.76 | 4.76 | 5.76 | 6.71 | 8.31 | 11.25 | 13.65 | 15.65 | 19.58 | 23.58 |
| r min | 0.2 | 0.25 | 0.4 | 0.4 | 0.6 | 0.6 | 0.8 | 0.8 | 1 | 1 |
| s min | 8.64 | 11.57 | 13.57 | 17.57 | 21.16 | 27.16 | 33 | 43 | 54.8 | 65.1 |
| s max | 9 | 12 | 14 | 18 | 22 | 28 | 34 | 44 | 56 | 67 |
Get A Free Quote Now !
Get durable, high-quality fasteners for your specific needs. Submit an inquiry to receive a customized quote!