


Cross Recessed Countersunk Head Tapping Screws
These self-tapping screws are designed with cross recessed countersunk heads and are ideal for flush mounting, cutting their own threads in the material while providing a smooth surface finish.
Product Technical Parameters
| ●Material: Carbon Steel and Stainless Steel |
| ●Surface Treatment: Galvanized, Nickel Plated, Black Oxide, Hot Dip Galvanizing, Dacromet |
| ●Metric Strength Grades: 4.8, 8.8, 10.9 |
| ●Metric Thread Diameter: ST2.2~ST9.5 |
| ●Metric Thread Length: 6 ~ 100
|
Product Description of Cross Recessed Countersunk Head Tapping Screws
- Function and use: These screws can be self-inserted into materials such as metal, wood or plastic to cut their own threads without prior drilling. Countersunk head flush with surface to ensure smooth surface.
- Application: It is widely used in construction, furniture assembly, cabinets and electrical installation where the surface is flush and firm and reliable.
- Needs solved: They simplify assembly by allowing direct installation, thus saving time. Flush design improves the safety and aesthetics of the finished product.
Wanhong Fasteners offers high quality cross recessed countersunk head tapping screws in various sizes and materials to meet different industrial needs.
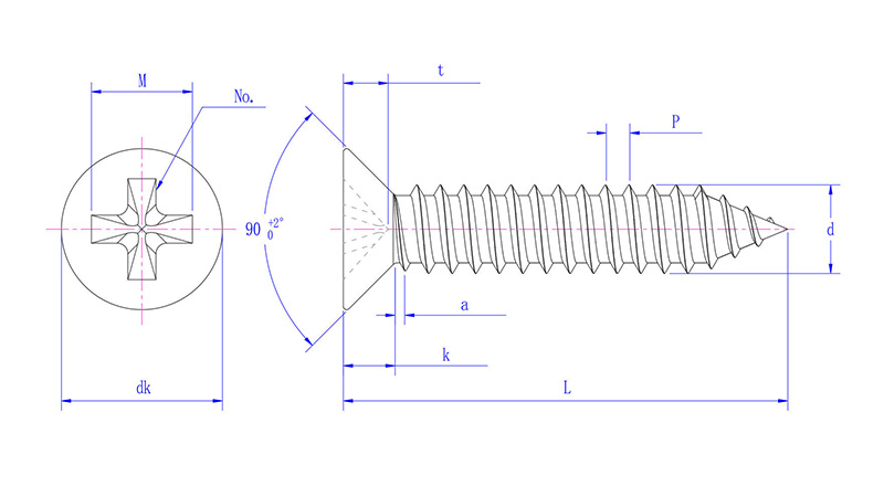
Data Sheet of Cross Recessed Countersunk Head Tapping Screws
Cross recessed countersunk head tapping screws Dimensions Chart: Based on ISO 7050

| (mm) | ST2.2 | ST2.9 | ST3.5 | ST4.2 | ST4.8 | ST5.5 | ST6.3 | ST8 | ST9.5 |
| P | 0.8 | 1.1 | 1.3 | 1.4 | 1.6 | 1.8 | 1.8 | 2.1 | 2.1 |
| a max | 0.8 | 1.1 | 1.3 | 1.4 | 1.6 | 1.8 | 1.8 | 2.1 | 2.1 |
| dk max | 3.8 | 5.5 | 7.3 | 8.4 | 9.3 | 10.3 | 11.3 | 15.8 | 18.3 |
| dk min | 3.5 | 5.2 | 6.9 | 8 | 8.9 | 9.9 | 10.9 | 15.4 | 17.8 |
| k max | 1.1 | 1.7 | 2.35 | 2.6 | 2.8 | 3 | 3.15 | 4.65 | 5.25 |
| No. | 0 | 1 | 2 | 2 | 2 | 3 | 3 | 4 | 4 |
| M | 1.9 | 3.2 | 4.4 | 4.6 | 5.2 | 6.6 | 6.8 | 8.9 | 10 |
| t min | 0.9 | 1.7 | 1.9 | 2.1 | 2.7 | 2.8 | 3 | 4 | 5.1 |
| t max | 1.2 | 2.1 | 2.4 | 2.6 | 3.2 | 3.3 | 3.5 | 4.6 | 5.7 |
Equivalent Standards:GB /T 846 | DIN EN ISO 7050 | UNI 6955
Some of the standards listed above may be considered approximately equivalent. If there are differences in dimensions, please adhere to the original standard
Get A Free Quote Now !
Get durable, high-quality fasteners for your specific needs. Submit an inquiry to receive a customized quote!
Related News
Introduction Hey there! If you’ve ever dabbled in DIY projects or even assembled flat-pack furniture, then the puzzle of screw […]