


Cross Recessed Pan Head Tapping Screws
These self-tapping screws, with their cross-slotted pan head design, allow for easy installation without pre-drilling and ensure firm fastening.
Product Technical Parameters
| ●Material: Carbon Steel and Stainless Steel | |
| ●Surface Treatment: Galvanized, Nickel Plated, Black Oxide | |
| ●Metric Strength Grades: 4.8, 8.8, 10.9 | ●Imperial Strength Grades: 2, 5, 8 |
| ●Metric Thread Diameter: ST2.9~ ST9.5 | ●Imperial Thread Diameter: #5 ~ 1/2 |
| ●Metric Thread Length: 5 ~ 100
|
●Imperial Thread Length: 1/4 ~ 6
|
Product Description of Cross Recessed Pan Head Tapping Screws
- Function and use: Screws with cross slot drive and pan head design can self-thread in metal, plastic and other materials, greatly simplifying the assembly process.
- Application: Widely used in electronic, electrical and construction fields, this kind of fasteners do not need pre-drilling, with low profile head and stable fastening performance.
- Needs solved: Pre-drilling steps are eliminated, saving time and manpower while ensuring a solid connection during assembly.
Wanhong Fasteners supply high quality cross recessed pan head tapping screws in various sizes and materials for a wide range of industrial applications.
Data Sheet of Cross Recessed Pan Head Tapping Screws
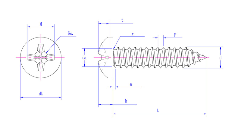
Cross recessed pan head tapping screws Dimensions Chart: Based on ISO 7049

| (mm) | ST2.9 | ST3.5 | ST4.2 | ST4.8 | ST5.5 | ST6.3 | ST8 | ST9.5 |
| P | 1.1 | 1.3 | 1.4 | 1.6 | 1.8 | 1.8 | 2.1 | 2.1 |
| a max | 1.1 | 1.3 | 1.4 | 1.6 | 1.8 | 1.8 | 2.1 | 2.1 |
| da max | 3.5 | 4.1 | 4.9 | 5.6 | 6.3 | 7.3 | 9.2 | 10.7 |
| dk max | 5.6 | 7 | 8 | 9.5 | 11 | 12 | 16 | 20 |
| dk min | 5.3 | 6.64 | 7.64 | 9.14 | 10.57 | 11.57 | 15.57 | 19.48 |
| k max | 2.4 | 2.6 | 3.1 | 3.7 | 4 | 4.6 | 6 | 7.5 |
| k min | 2.15 | 2.35 | 2.8 | 3.4 | 3.7 | 4.3 | 5.6 | 7.1 |
| r min | 0.1 | 0.1 | 0.2 | 0.2 | 0.25 | 0.25 | 0.4 | 0.4 |
| No. | 1 | 2 | 2 | 2 | 3 | 3 | 4 | 4 |
| M | 3 | 3.9 | 4.4 | 4.9 | 6.4 | 6.9 | 9 | 10.1 |
| t min | 1.4 | 1.4 | 1.9 | 2.4 | 2.6 | 3.1 | 4.15 | 5.2 |
| t max | 1.8 | 1.9 | 2.4 | 2.9 | 3.1 | 3.6 | 4.7 | 5.8 |
Equivalent Standards:GB /T 845 | DIN EN ISO 7049 | DIN 968 | UNI 6954 | NF E 25-658
Some of the standards listed above may be considered approximately equivalent. If there are differences in dimensions, please adhere to the original standard
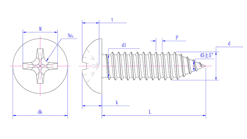
Cross recessed pan head tapping screws Dimensions Chart: Based on ASME/ANSI B18.6.3-table36

| (inch) | #5 | #6 | #7 | #8 | #10 | #12 | 1/4 | 5/16 | 3/8 | 7/16 | 1/2 |
| P | 20 | 20 | 19 | 18 | 16 | 14 | 14 | 12 | 12 | 10 | 10 |
| dk max | 0.26 | 0.21 | 0.285 | 0.309 | 0.359 | 0.408 | 0.472 | 0.59 | 0.708 | 0.75 | 0.813 |
| dk min | 0.24 | 0.193 | 0.264 | 0.287 | 0.334 | 0.382 | 0.443 | 0.557 | 0.67 | 0.707 | 0.766 |
| k max | 0.103 | 0.086 | 0.111 | 0.12 | 0.137 | 0.153 | 0.175 | 0.216 | 0.256 | 0.328 | 0.355 |
| k min | 0.091 | 0.075 | 0.099 | 0.107 | 0.123 | 0.139 | 0.16 | 0.198 | 0.237 | 0.307 | 0.332 |
| M | 0.155 | 0.111 | 0.164 | 0.171 | 0.188 | 0.242 | 0.261 | 0.301 | 0.38 | 0.395 | 0.409 |
| No. | 2 | 1 | 2 | 2 | 2 | 3 | 3 | 3 | 4 | 4 | 4 |
| t max | 0.073 | 0.065 | 0.081 | 0.09 | 0.108 | 0.108 | 0.13 | 0.17 | 0.208 | 0.221 | 0.236 |
| t min | 0.045 | 0.046 | 0.055 | 0.064 | 0.082 | 0.082 | 0.104 | 0.144 | 0.182 | 0.196 | 0.211 |
| d max | 0.139 | 0.114 | 0.154 | 0.166 | 0.189 | 0.215 | 0.246 | 0.315 | 0.38 | 0.44 | 0.504 |
| d min | 0.132 | 0.108 | 0.147 | 0.159 | 0.182 | 0.208 | 0.237 | 0.306 | 0.371 | 0.429 | 0.493 |
| d1 max | 0.104 | 0.086 | 0.115 | 0.122 | 0.141 | 0.164 | 0.192 | 0.244 | 0.309 | 0.359 | 0.423 |
| d1 min | 0.099 | 0.082 | 0.109 | 0.116 | 0.135 | 0.157 | 0.185 | 0.236 | 0.299 | 0.349 | 0.413 |
Get A Free Quote Now !
Get durable, high-quality fasteners for your specific needs. Submit an inquiry to receive a customized quote!
Related News
1. Introduction Ever wondered why stainless steel screws were the deal in construction and manufacturing and even found a place […]