


Cross Recessed Round Head Tapping Screws with Collar
The self-tapping screws are designed with a cross grooved pan head with washers, providing a solid connection without the need for pre-drilling while ensuring an even distribution of enhanced grip and load.
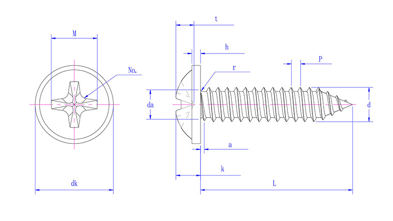
Product Technical Parameters
| ●Material: Carbon Steel and Stainless Steel | |
| ●Surface Treatment: Galvanized, Nickel Plated, Black Oxide | |
| ●Metric Strength Grades: 4.8 | ●Imperial Strength Grades: 2 |
| ●Metric Thread Diameter: ST2.9~ ST6.3 | ●Imperial Thread Diameter: #5 ~ 1/2 |
| ●Metric Thread Length: 5 ~ 60 | ●Imperial Thread Length: 1/8 ~ 12 |
Product Description of Cross Recessed Round Head Tapping Screws with Collar
- Function and use: Integrated screw with cross slot drive, pan head and built-in washer design, with easy installation characteristics, can self-drill thread in metal or plastic materials, significantly enhance its holding force.
- Application: Widely used in electronic, electrical and sheet metal assembly fields, especially for the pursuit of flat appearance and enhanced bearing surface scenes, and without prior hole processing.
- Needs solved: Built-in washers optimize load distribution and reduce the possibility of material deformation, thereby increasing the reliability and durability of the fastening system.
Wanhong Fasteners supply high quality cross recessed round head tapping screws with collar, various sizes and materials, suitable for a wide range of industrial applications.
Data Sheet of Cross Recessed Round Head Tapping Screws with Collar
Cross recessed round head tapping screws with collar Dimensions Chart: Based on DIN 968

| (mm) | ST2.9 | ST3.5 | ST4.2 | ST4.8 | ST5.5 | ST6.3 |
| P | 1.1 | 1.3 | 1.4 | 1.6 | 1.8 | 1.8 |
| a max | 1.1 | 1.3 | 1.4 | 1.6 | 1.8 | 1.8 |
| da max | 3.5 | 4.1 | 4.9 | 5.6 | 6.3 | 7.3 |
| dk max | 7.5 | 9 | 10 | 11.5 | 13 | 14.5 |
| dk min | 6.92 | 8.42 | 9.42 | 10.8 | 12.3 | 13.8 |
| k max | 2.35 | 2.6 | 3.05 | 3.55 | 3.8 | 4.55 |
| k min | 2.1 | 2.35 | 2.75 | 3.25 | 3.5 | 4.25 |
| h max | 0.8 | 0.9 | 1.1 | 1.35 | 1.6 | 1.8 |
| h min | 0.6 | 0.7 | 0.9 | 1.05 | 1.2 | 1.4 |
| r min | 0.1 | 0.1 | 0.2 | 0.2 | 0.25 | 0.25 |
| No. | 1 | 2 | 2 | 2 | 3 | 3 |
| M | 3 | 4.2 | 4.6 | 5 | 6.5 | 7.1 |
| t min | 1.35 | 1.4 | 1.8 | 2.26 | 2.49 | 3 |
| t max | 1.8 | 2.03 | 2.46 | 2.87 | 3.15 | 3.66 |
Cross recessed round head tapping screws with collar Dimensions Chart: Based on ASME/ANSI B18.6.3-Table 39

| (inch) | #5 | #6 | #7 | #8 | #10 | #12 | 1/4 | 5/16 | 3/8 | 7/16 | 1/2 |
| P | 20 | 20 | 19 | 18 | 16 | 14 | 14 | 12 | 12 | 10 | 10 |
| dk | 0.177 | 0.218 | 0.238 | 0.259 | 0.3 | 0.341 | 0.396 | 0.494 | 0.593 | 0.691 | 0.79 |
| dc max | 0.261 | 0.321 | 0.35 | 0.38 | 0.439 | 0.498 | 0.576 | 0.719 | 0.861 | 1.004 | 1.146 |
| dc min | 0.243 | 0.301 | 0.33 | 0.358 | 0.416 | 0.473 | 0.548 | 0.687 | 0.825 | 0.963 | 1.101 |
| k max | 0.079 | 0.096 | 0.105 | 0.113 | 0.13 | 0.148 | 0.17 | 0.211 | 0.253 | 0.294 | 0.335 |
| k min | 0.067 | 0.084 | 0.092 | 0.101 | 0.118 | 0.134 | 0.157 | 0.197 | 0.238 | 0.278 | 0.319 |
| h | 0.03 | 0.04 | 0.04 | 0.04 | 0.05 | 0.05 | 0.05 | 0.06 | 0.06 | 0.07 | 0.09 |
| M | 0.116 | 0.147 | 0.15 | 0.161 | 0.177 | 0.228 | 0.244 | 0.292 | 0.348 | 0.366 | 0.383 |
| No. | 1 | 2 | 2 | 2 | 2 | 3 | 3 | 3 | 4 | 4 | 4 |
| t max | 0.065 | 0.061 | 0.065 | 0.076 | 0.093 | 0.094 | 0.107 | 0.156 | 0.17 | 0.19 | 0.21 |
| t min | 0.044 | 0.033 | 0.037 | 0.048 | 0.066 | 0.066 | 0.08 | 0.129 | 0.144 | 0.165 | 0.184 |
| d max | 0.114 | 0.139 | 0.154 | 0.166 | 0.189 | 0.215 | 0.246 | 0.315 | 0.38 | 0.44 | 0.504 |
| d min | 0.108 | 0.132 | 0.147 | 0.159 | 0.182 | 0.208 | 0.237 | 0.306 | 0.371 | 0.429 | 0.493 |
| d1 max | 0.086 | 0.104 | 0.115 | 0.122 | 0.141 | 0.164 | 0.192 | 0.244 | 0.309 | 0.359 | 0.423 |
| d1 min | 0.082 | 0.099 | 0.109 | 0.116 | 0.135 | 0.157 | 0.185 | 0.236 | 0.299 | 0.349 | 0.413 |
Get A Free Quote Now !
Get durable, high-quality fasteners for your specific needs. Submit an inquiry to receive a customized quote!
Related News
1. Introduction Ever wondered why stainless steel screws were the deal in construction and manufacturing and even found a place […]
Introduction Hey there! If you’ve ever dabbled in DIY projects or even assembled flat-pack furniture, then the puzzle of screw […]