


Hexagon Socket Head Shoulder Screws
Designed for precise alignment and rotation in assembly, these screw hexagonal socket head unibody shoulders provide both tightening and bearing functions.
Product Technical Parameters
| ●Material: Carbon Steel and Stainless Steel | |
| ●Head: knurled or Smooth head | |
| ●Surface Treatment: Galvanized, Nickel Plated, Black Oxide | |
| ●Metric Strength Grades: 4.8, 8.8, 10.9, 12.9 | ●Imperial Strength Grades: 2, 5, 8 |
| ●Metric Thread Diameter: M5 ~ M20 | ●Imperial Thread Diameter: 1/8 ~ 1 |
| ●Metric Shoulder Length: 4 ~ 200 | ●Imperial Shoulder Length: 1/8 ~ 8 |
Product Description of Hexagon Socket Head Shoulder Screws
- Function and use: The shaft shoulder provides precise positioning for controlled rotation or sliding of components, while the hex socket head ensures high torque tightening.
- Applications: It is widely used in mechanical assembly, robots, fixture and other fields, requiring accurate alignment and repeatable movement.
- Needs solved: Screws facilitate accurate positioning, reduce wear, and simplify assembly in applications that require both tightening and bearing capacity.
Wanhong Fasteners supply high quality hexagon socket head shoulder screws, various sizes and materials, suitable for a wide range of industrial needs.
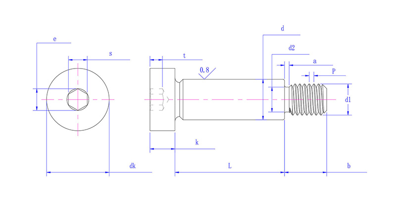
Data Sheet of Hexagon Socket Head Shoulder Screws
Hexagon socket head shoulder screws Dimensions Chart: Based on ISO 7379

| (mm) | M5 | M6 | M8 | M10 | M12 | M16 | M20 |
| d | φ6.5 | φ8 | φ10 | φ13 | φ16 | φ20 | φ25 |
| d max | 6.487 | 7.987 | 9.987 | 12.984 | 15.984 | 19.98 | 24.98 |
| d min | 6.451 | 7.951 | 9.951 | 12.941 | 15.941 | 19.928 | 24.928 |
| P | 0.8 | 1 | 1.25 | 1.5 | 1.75 | 2 | 2.5 |
| b max | 9.75 | 11.25 | 13.25 | 16.4 | 18.4 | 22.4 | 27.4 |
| b min | 9.25 | 10.75 | 12.75 | 15.6 | 17.6 | 21.6 | 26.6 |
| dk max | 10 | 13 | 16 | 18 | 24 | 30 | 36 |
| dk min | 9.78 | 12.73 | 15.73 | 17.73 | 23.67 | 29.67 | 35.61 |
| d2 max | 3.86 | 4.58 | 6.25 | 7.91 | 9.57 | 13.33 | 16.57 |
| d2 min | 3.68 | 4.4 | 6.03 | 7.69 | 9.35 | 12.96 | 16.3 |
| e min | 3.44 | 4.58 | 5.72 | 6.86 | 9.15 | 11.43 | 13.72 |
| k max | 4.5 | 5.5 | 7 | 9 | 11 | 14 | 16 |
| k min | 4.32 | 5.32 | 6.78 | 8.78 | 10.73 | 13.73 | 15.73 |
| a max | 2 | 2.5 | 3.1 | 3.7 | 4.4 | 5 | 6.3 |
| s max | 3.08 | 4.095 | 5.095 | 6.095 | 8.115 | 10.115 | 12.142 |
| s min | 3.02 | 4.02 | 5.02 | 6.02 | 8.025 | 10.025 | 12.032 |
| t min | 2.4 | 3.3 | 4.2 | 4.9 | 6.6 | 8.8 | 10 |
Hexagon socket head shoulder screws Dimensions Chart: Based on ASME/ANSI B18.3-Table 13-2017

| (inch) | 1/8 | 5/32 | 3/16 | 1/4 | 5/16 | 3/8 | 1/2 | 5/8 | 3/4 | 1 |
| d max | 0.123 | 0.154 | 0.185 | 0.248 | 0.3105 | 0.373 | 0.498 | 0.623 | 0.748 | 0.998 |
| d min | 0.121 | 0.152 | 0.183 | 0.246 | 0.3085 | 0.371 | 0.496 | 0.621 | 0.746 | 0.996 |
| dk max | 0.25 | 0.281 | 0.312 | 0.375 | 0.438 | 0.562 | 0.75 | 0.875 | 1 | 1.312 |
| dk min | 0.235 | 0.266 | 0.296 | 0.357 | 0.419 | 0.543 | 0.729 | 0.853 | 0.977 | 1.287 |
| k max | 0.125 | 0.125 | 0.156 | 0.188 | 0.219 | 0.25 | 0.312 | 0.375 | 0.5 | 0.625 |
| k min | 0.115 | 0.115 | 0.146 | 0.177 | 0.209 | 0.24 | 0.302 | 0.365 | 0.49 | 0.61 |
| S | 0.078 | 0.094 | 0.094 | 0.125 | 0.156 | 0.188 | 0.25 | 0.312 | 0.375 | 0.5 |
| t min | 0.067 | 0.067 | 0.079 | 0.094 | 0.117 | 0.141 | 0.188 | 0.234 | 0.281 | 0.375 |
| d1 | #4 | #6 | #8 | #10 | 1/4 | 5/16 | 3/8 | 1/2 | 5/8 | 3/4 |
| P | 40 UN | 32 UN | 32 UN | 24 UN | 20 UN | 18 UN | 16 UN | 13 UN | 11 UN | 10 UN |
| d2 max | 0.076 | 0.1 | 0.12 | 0.142 | 0.193 | 0.249 | 0.304 | 0.414 | 0.521 | 0.638 |
| d2 min | 0.069 | 0.093 | 0.112 | 0.133 | 0.182 | 0.237 | 0.291 | 0.397 | 0.502 | 0.616 |
| a max | 0.078 | 0.063 | 0.069 | 0.083 | 0.1 | 0.111 | 0.125 | 0.154 | 0.182 | 0.2 |
Get A Free Quote Now !
Get durable, high-quality fasteners for your specific needs. Submit an inquiry to receive a customized quote!
Related News
Introduction If you ever worked with machinery or construction projects, most likely you have encountered hex socket screws. They are […]
1. Introduction In industrial production and daily life, we are confronted with various types of screws. Among them, the hex […]